股票杠杆比率计算公式-免费炒股软件推荐-【东方资本】,炒股做t怎么操作,股票做t 1,股票配资法律问题

Z-ECG-20

首頁 / 電動夾爪 / Z-ECG-20
  • 斷電自鎖、夾持掉落檢測、區域輸出功能
  • 力、位、速度可控,可通過Modbus精準控制
  • 三指定心夾爪
  • 控制器內置:占用空間小,方便集成
  • 控制方式:485(Modbus RTU)、I/O
  • 斷電自鎖、夾持掉落檢測、區域輸出功能
  • 力、位、速度可控,可通過Modbus精準控制
  • 三指定心夾爪
  • 控制器內置:占用空間小,方便集成
  • 控制方式:485(Modbus RTU)、I/O

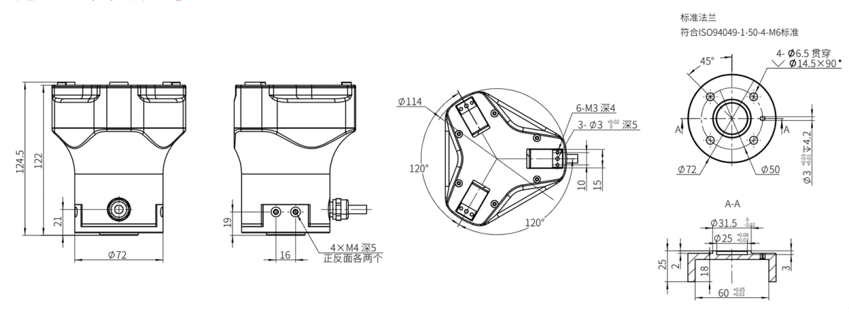
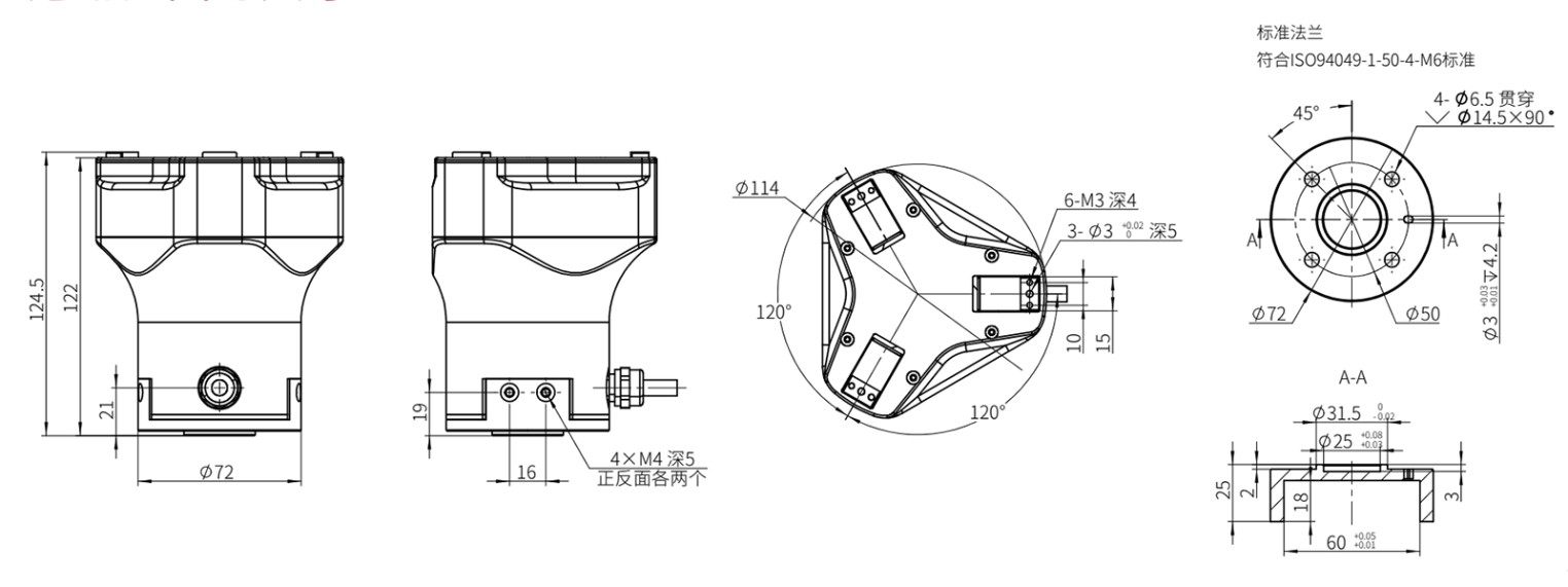
Z-ECG-10 核心參數

產品型號 Z-ECG-20
總行程 20mm(可調)
夾持力 30-80N(可調)
重復定位精度 ±0.03mm
推薦夾持重量 ≤1kg
傳動方式 精密行星減速機+滾珠導軌
控制方式 485(Modbus RTU)、I/O
單向行程運動最短時間 0.5s
運動方式 三指平動
重量 1.5kg
尺寸規格 114*114*124.5mm
工作電壓 DC24V±10%
額定電流 0.8A
峰值電流 2A
功率 20W
防護等級 IP67
電機類型 伺電機服
使用溫度范圍 5~55℃
使用濕度范圍 35~80%RH(不結霜)
出線規格 線長2m,12芯線

備注:由于產品不斷推新迭代,產品參數如有變更,恕不另行通知。

產品詳情

相關產品